Ultra-High Resolution Field Emission Scanning Electron Microscopy (FESEM)
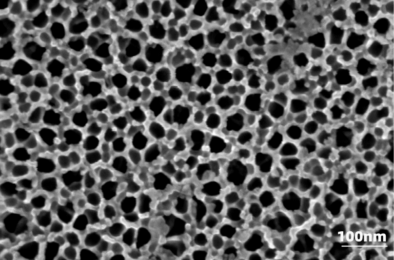
The CIQTEK SEM5000X is an ultra-high resolution FESEM with optimized electron optics column design, reducing overall aberrations by 30%, achieving ultra-high resolution of 0.6 nm@15 kV and 1.0 nm@1 kV. Its high resolution and stability make it advantageous in advanced nano-structural materials research, as well as the development and manufacturing of high-technology node semiconductor IC chips.
Contact our U.S. team: info.usa@ciqtek.com
(*Optional)

Objective Lens Upgrade
Lens chromatic aberration was reduced by 12%, lens spherical aberration was reduced by 20%, and overall aberration was reduced by 30%.

Dual Beam Deceleration Technology
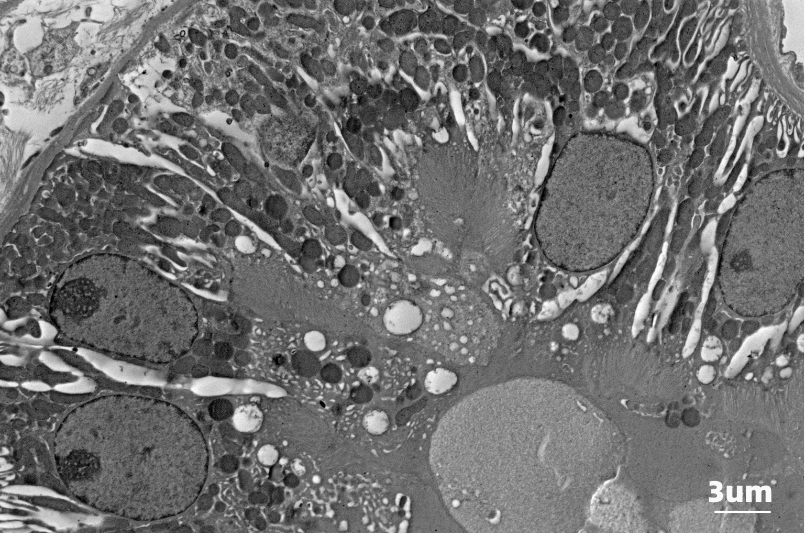
In-lens beam deceleration, applicable to specimens with large volumes, cross-sections, and irregular surfaces. Dual deceleration technology (In-lens beam deceleration + specimen stage tandem beam deceleration) challenges the limits of specimen surface signal-capturing scenarios.

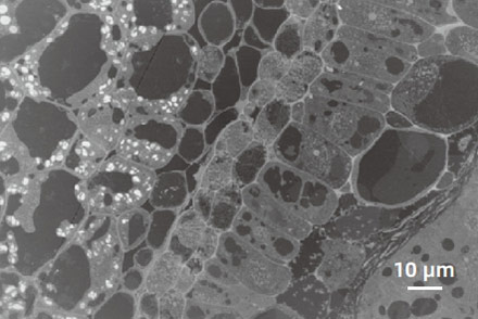
The "Electron Channeling effect" refers to a significant reduction in electron scattering by crystal lattices when the incident electron beam satisfies the Bragg diffraction condition, allowing a large number of electrons to pass through the lattice, thus exhibiting a "channeling" effect.
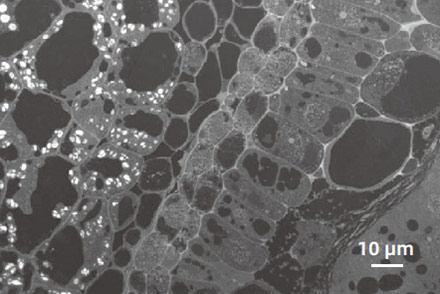
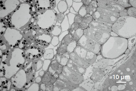
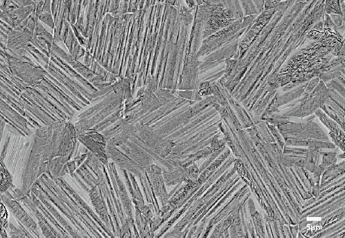
For polycrystalline materials with uniform composition and polished flat surfaces, the intensity of backscattered electrons relies on the relative orientation between the incident electron beam and crystal planes. Grains with greater orientation variation exhibit stronger signals, resulting in brighter images and enabling qualitative characterization based on the grain orientation map.

>> Multiple Operating Modes: Bright-Field (BF) Imaging, Dark-Field (DF) Imaging, High-Angle Annular Dark-Field (HAADF) Imaging
>> Energy Dispersive Spectrometry
>> Catholuminescence

The CIQTEK SEM Microscope software employs various target detection and segmentation algorithms, suitable for different types of particle and pore samples. it enables quantitative analysis of particle and pore statistics and can be applied in fields such as materials science, geology, and environmental science.

Perform online or offline image post-processing on images captured by electron microscopes and integrate commonly used EM image processing functions, convenient measurement, and annotation tools.

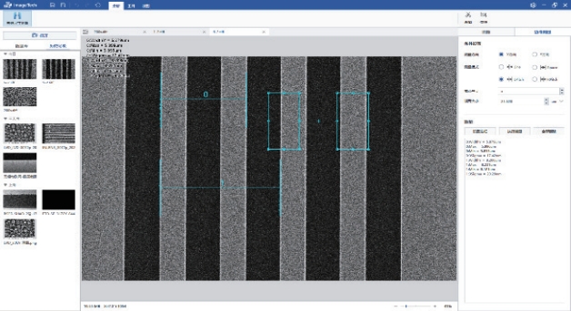
Automatic recognition of line width edges, resulting in more accurate measurements and higher consistency. Support multiple edge detection modes, such as Line, Space, Pitch, etc. Compatible with multiple image formats and equipped with various commonly used image post-processing functions. The software is easy to use, efficient, and accurate.

Provide a set of interfaces for controlling the SEM microscope, including image acquisition, operating condition settings, power on/off, stage control, etc. Concise interface definitions allow for the rapid development of specific electron microscope operation scripts and software, enabling automated tracking of regions of interest, industrial automation data acquisition, image drift correction, and other functions. Can be used for software development in specialized areas such as diatom analysis, steel impurity inspection, cleanliness analysis, raw material control, etc.

CIQTEK Ultra-High Resolution FESEM SEM5000X |
Inside CIQTEK Factory: Electron Microscope Manufacturing Tour |
| CIQTEK SEM5000X FESEM Microscope Specifications | ||
| Electron Optics | Resolution | 0.6 nm @ 15 kV, SE 1.0 nm @ 1 kV, SE |
| Acceleration Voltage | 0.02 kV ~30 kV | |
| Magnification | 1 ~ 2,500,000 x | |
| Electron Gun Type | Schottky Field Emission Electron Gun | |
| Specimen Chamber | Cameras | Dual Cameras (optical navigation + chamber monitor) |
| Stage Type | 5-Axis Mechanical Eucentric Specimen Stage | |
| Stage Range | X=110 mm, Y=110 mm, Z=65 mm T: -10*~+70°, R: 360° |
|
| SEM Detectors and Extensions | Standard | In-lens Detector Everhart-Thornley Detector (ETD) |
| Optional |
Retractable Back-Scattered Electron Detector (BSED) Retractable Scanning Transmission Electron Microscopy Detector (STEM) Low Vacuum Detector (LVD) Energy Dispersive Spectrometer (EDS / EDX) Electron Backscatter Diffraction Pattern (EBSD) Specimen Exchange Loadlock (4 inch / 8 inch) Trackball & Knob Control Panel Duo-Dec Mode (Duo-Dec) |
|
| User Interface | Languages | English |
| Operating System | Windows | |
| Navigation | Optical Navigation, Gesture Quick Navigation, Trackball (optional) | |
| Automatic Functions | Auto Brightness & Contrast, Auto Focus, Auto Stigmator | |