High-Performance and Universal Tungsten Filament SEM Microscope
The CIQTEK SEM3200 SEM Microscope is an excellent general-purpose Tungsten Filament Scanning Electron Microscope (SEM) with outstanding overall capabilities. Its unique Dual-anode electron gun structure ensures high resolution and improves image signal-to-noise ratio at low excitation voltages. Furthermore, it offers a wide range of optional accessories, making the SEM3200 a versatile analytical instrument with excellent expandability.
Contact our U.S. team: info.usa@ciqtek.com

Intermittent Anode
The intermittent anode is set up in between the cathode assembly and the anode. Under low excitation voltage, the extraction efficiency of the electron beam can be improved, the resolution can be increased by 10%, and the signal-to-noise ratio can be increased by 30%.
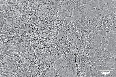
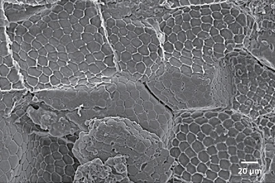
For carbon material samples, under low excitation voltages, the beam penetration depth is shallow, enabling the capturing of the true surface morphology information with richer details of the specimen.
For polymer fiber samples, high excitation voltages cause beam damage to the specimen, while low voltage beam enables the preservation of surface details without damage.
The CIQTEK SEM3200 SEM Microscope supports 2-stage low vacuum modes: 5~180 Pa chamber pressure can be reached without pressure limiting aperture, and 180~1000 Pa is achievable with PLA. The specially designed objective lens vacuum chamber minimizes electron mean free path in low-vacuum, and maintains the resolution at 3 nm @ 30 kV.
The incident electron beam ionizes the air molecules on top of the surface, producing electrons and ions, in which ions neutralize the charged particles generated on the sample surface, achieving the effect of charge mitigation.
The secondary electron emission from the sample surface ionizes air molecules, generating electrons, ions, and photo signals simultaneously. The generated electrons then ionize other air molecules and a large number of photo signals are produced and then captured by a Low Vacuum Detector (LVD).
In high vacuum mode, LVD directly detects the cathodoluminescence signal emitted from the specimen, which can be captured for cathodoluminescence imaging, with simultaneous imaging from the BSED channel.
Using a vertically mounted chamber camera to capture optical images for specimen stage navigation allows for a more intuitive and accurate specimen positioning.
Under this mode, the astigmatism value of X and Y varies with the pixels. The image clarity is maximized at the optimal astigmatism value, enabling rapid stigmator adjustment.
Improved Automatic Brightness & Contrast, Automatic Focus, and Automatic Astigmatism Correction Functions. Imaging by a single click!
Pre-aligned replacement filament module ready to use.
>> Metallurgy
>> Semiconductor
>> New Energy Materials
>> Ceramic
>> Polymer and Fiber Materials
>> Biomedical
>> Food

The CIQTEK SEM Microscope software employs various target detection and segmentation algorithms, suitable for different types of particle and pore samples. it enables quantitative analysis of particle and pore statistics and can be applied in fields such as materials science, geology, and environmental science.

Perform online or offline image post-processing on images captured by electron microscopes and integrate commonly used EM image processing functions, convenient measurement, and annotation tools.

Automatic recognition of line width edges, resulting in more accurate measurements and higher consistency. Support multiple edge detection modes, such as Line, Space, Pitch, etc. Compatible with multiple image formats and equipped with various commonly used image post-processing functions. The software is easy to use, efficient, and accurate.

Provide a set of interfaces for controlling the SEM microscope, including image acquisition, operating condition settings, power on/off, stage control, etc. Concise interface definitions allow for the rapid development of specific electron microscope operation scripts and software, enabling automated tracking of regions of interest, industrial automation data acquisition, image drift correction, and other functions. Can be used for software development in specialized areas such as diatom analysis, steel impurity inspection, cleanliness analysis, raw material control, etc.
An Introduction to CIQTEK Tungsten Filament SEM Microscope SEM3200 |
CIQTEK Tungsten Filament SEM Microscope SEM3200 Key Features & FAQs |
| CIQTEK SEM3200 SEM Microscope | ||||
| Electron Optics | Resolution | 3 nm @ 30 kV, SE 7 nm @ 3 kV, SE 4 nm @ 30 kV, BSE 3 nm @ 30 kV, SE, 30 Pa |
||
| Accelerating Voltage | 0.2 kV ~ 30 kV | |||
| Magnification (Polaroid) | 1 x ~ 1,000,000 x | |||
| Specimen Chamber | Low Vacuum | 5 ~ 1000 Pa (Optional) | ||
| Camera | Optical Navigation | |||
| Chamber Monitoring | ||||
| Stage Type | 5-Axis Vacuum Compatible Motorized | |||
| XY Range | 125 mm | |||
| Z Range | 50 mm | |||
| T Range | - 10° ~ 90° | |||
| R Range | 360° | |||
| SEM Detectors | Standard | Everhart-Thornley Detector (ETD) | ||
| Optional | Retractable Back-Scattered Electron Detector (BSED) Energy Dispersive Spectrometer (EDS / EDX) Electron Backscattered Diffraction Pattern (EBSD) |
|||
| Optional | Specimen Exchange Loadlock | |||
| Trackball & Knob Control Panel | ||||
| User Interface | Operating System | Windows | ||
| Navigation | Optical Navigation, Gesture Quick Navigation, Trackball (Optional) | |||
| Automatic Functions | Auto Brightness & Contrast, Auto Focus, Automatic Stigmator | |||