High Resolution under Low Excitation
The CIQTEK SEM5000Pro is a high-resolution Schottky field-emission scanning electron microscope (FE-SEM) that specializes in high resolution, even under low excitation voltages. Employing an advanced "Super-Tunnel" electron optics technology facilitates a crossover-free beam path and an electrostatic-electromagnetic compound lens design.
These advancements reduce the spatial charging effect, minimize lens aberrations, enhance imaging resolution at low voltages, and achieve a resolution of 1.1 nm at 1 kV, which allows for the direct observation of non-conductive or semi-conductive samples, effectively reducing sample irradiation damage.

★ "Super Tunnel" electron optics column technology/in-lens beam deceleration
Decrease spatial charging effect, ensuring low voltage resolution.
★ Crossover-free in the electron beam path
Effectively reduce lens aberrations and improve resolution.
★ Electromagnetic & electrostatic compound objective lens
Reduce aberrations, significantly improve resolution at low voltages, and enable observation of magnetic samples.
★ Water-cooled constant-temperature objective lens
Ensure the stability, reliability, and repeatability of the objective lens operation.
★ Variable multi-hole aperture with electromagnetic beam deflection system
Automatic switching between apertures without mechanical motion, allowing fast switching between imaging modes.

The "Electron Channeling effect" refers to a significant reduction in electron scattering by crystal lattices, when the incident electron beam satisfies the Bragg diffraction condition, allowing a large number of electrons to pass through the lattice, thus exhibiting a "channeling" effect.
For polycrystalline materials with uniform composition and polished flat surfaces, the intensity of backscattered electrons relies on the relative orientation between the incident electron beam and crystal planes. Grains with larger orientation variation exhibit stronger signals, therefore brighter images, and qualitative characterization with such a grain orientation map is achieved.

>> Multiple Operating Modes: Bright-field (BF) imaging, Dark-field (DF) imaging, High-angle annular dark-field (HAADF) imaging
>> Energy Dispersive Spectrometry
>> Catholuminescence
>> Materials Science - Nanomaterials
>> Materials Science - Energy Materials
>> Materials Science - Polymer Materials and Metal Materials
>> Magnetic Materials - Polymer materials and metal materials
>> Semiconductor Materials
>> Life Science
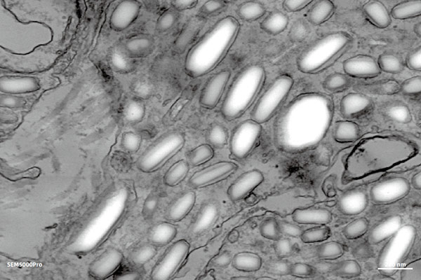
Characterization of iridophores in lizard skin cells, using the STEM detector in the CIQTEK SEM5000Pro FE-SEM.
Animal colors in nature can be classified into two categories based on their formation mechanisms: pigment colors and structural colors.
Pigment colors are achieved through variations in pigment composition and the overlapping of colors, similar to the principles of "primary colors."
Structural colors, on the other hand, are generated through the reflection of light of different wavelengths by intricate physiological structures, based primarily on principles of optics. Iridophores, found in lizard skin cells, possess structures similar to diffraction gratings. We refer to these structures as "crystalline plates." Crystalline plates can reflect and scatter light of different wavelengths. Studies have shown that by varying the size, spacing, and angle of the crystalline plates in lizard iridophores, the wavelengths of light scattered and reflected by their skin can be altered. This finding is significant for understanding the mechanisms behind color change in lizard skin.

The CIQTEK SEM Microscope software employs various target detection and segmentation algorithms, suitable for different types of particle and pore samples. it enables quantitative analysis of particle and pore statistics and can be applied in fields such as materials science, geology, and environmental science.

Perform online or offline image post-processing on images captured by electron microscopes and integrate commonly used EM image processing functions, convenient measurement, and annotation tools.

Automatic recognition of line width edges results in more accurate measurements and higher consistency. Support multiple edge detection modes, such as Line, Space, Pitch, etc. Compatible with multiple image formats and equipped with various commonly used image post-processing functions. The software is easy to use, efficient, and accurate.

Provide a set of interfaces for controlling the SEM microscope, including image acquisition, operating condition settings, power on/off, stage control, etc. Concise interface definitions allow for the rapid development of specific electron microscope operation scripts and software, enabling automated tracking of regions of interest, industrial automation data acquisition, image drift correction, and other functions. Can be used for software development in specialized areas such as diatom analysis, steel impurity inspection, cleanliness analysis, raw material control, etc.

CIQTEK FESEM SEM5000Pro Introduction |
CIQTEK FESEM SEM5000Pro at Ulsan Campus of Polytechnic University, Korea |
|
CIQTEK FESEM Microscope SEM5000Pro Specifications |
||
| Electron Optics | Resolution |
0.7 nm @ 15 kV, SE 1.1 nm @ 1.0 kV, SE |
| Acceleration Voltage | 0.02 kV ~ 30 kV | |
| Magnification (Polaroid) | 1 ~ 2,500,000 x | |
| Electron Gun Type | Schottky Field Emission Electron Gun | |
| Specimen Chamber | Camera | Dual Cameras (Optical navigation + chamber monitor) |
| Stage Range |
X: 110 mm, Y: 110 mm, Z: 65 mm T: -10°~ +70°, R: 360° |
|
| SEM Detectors and Extensions | Standard |
Inlens Electron Detector Everhart-Thornley Detector (ETD) |
| Optional |
Retractable Backscattered Electron Detector (BSED) Retractable Scanning Transmission Electron Microscope(STEM) Low Vacuum Detector(LVD) Energy Dispersive Spectroscopy (EDS / EDX) Electron Backscatter Diffraction Pattern (EBSD) Specimen Exchange Loadlock (4 inch /8 inch) Trackball & Knob Control Panel |
|
| Software | Language | English |
| Operating System | Windows | |
| Navigation | Optical Navigation, Gesture Quick Navigation, Trackball (optional) | |
| Automatic Functions | Auto Brightness & Contrast, Auto Focus, Auto Stigmator | |