CIQTEK Scanning Electron Microscope Application Case in Particle Powder Materials
Powders are today's raw materials for the preparation of materials and devices in various fields and are widely used in lithium-ion batteries, catalysis, electronic components, pharmaceuticals, and other applications.
The composition and microstructure of the raw material powders determine the properties of the material. The particle size distribution ratio, shape, porosity, and specific surface of the raw material powders can match the unique properties of the material.
Therefore, the regulation of the microstructure of the raw material powder is a prerequisite for obtaining excellent performance materials. The use of scanning electron microscopy allows observation of the specific surface morphology of the powder and precise analysis of the particle size to optimize the preparation process of the powder.
Application of scanning electron microscopy in MOFs materials
In the field of catalysis, the construction of metal-organic backbone materials (MOFs) to substantially improve the surface catalytic performance has become one of the hot research topics today. MOFs have the unique advantages of high metal loading, porous structure and catalytic sites, and have great potential as cluster catalysts. Using the CIQTEK Tungsten Filament Scanning Electron Microscope, it can be observed that the MOFs material shows regular cubic shape and the presence of fine particles adsorbed on the surface (Figure 1). The electron microscope possesses a resolution of up to 3 nm and excellent imaging quality, and uniform high-brightness SEM maps can be obtained in different fields of view, which can clearly observe the folds, pores, and particle loading on the surface of MOFs materials.

Figure 1 MOFs material / 15 kV/ETD
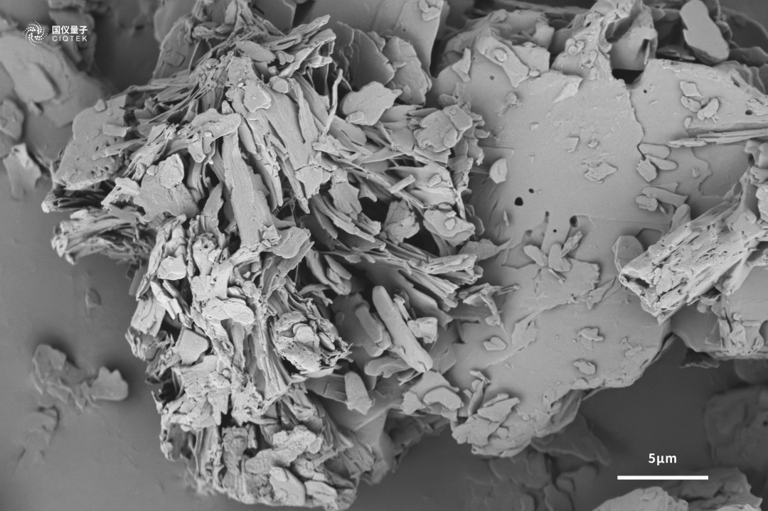
Scanning electron microscopy in silver powder materials
In the manufacture of electronic components, electronic paste, as a basic material for manufacturing electronic components, has certain rheological and thixotropic properties, and is a basic functional material integrating materials, chemical and electronic technologies, and the preparation of silver powder is the key to manufacturing silver conductive paste. Using the SEM5000 field emission scanning electron microscope independently developed by CIQTEK, relying on the high voltage tunneling technology, the space charge effect is drastically reduced, and irregular silver powder clustering with each other can be observed (Figure 2). And the SEM5000 has high resolution, so that details can still be seen even at 100,000x magnification.

Figure 2 Silver powder/5 kV/Inlens
Scanning electron microscopy in lithium iron phosphate
Lithium-ion batteries are rapidly occupying the mainstream market because of their high specific energy, long cycle life, no memory effect, and high safety. The use of electron microscopy to observe the positive and negative electrode morphology of lithium-ion batteries is important to improve the specific capacity of lithium-ion batteries. Among them, lithium iron phosphate batteries are favored due to many advantages such as excellent cycle performance, relatively low price, and guaranteed safety performance. The spherical lithium iron phosphate particles consisting of primary particle agglomerates observed by CIQTEK Field Emission Scanning Electron Microscope SEM5000 (Figure 3) have clear surface particles and imaging with three-dimensional sense.

Figure 3 Lithium iron phosphate / 15 kV/ETD
Scanning electron microscopy in graphite materials
The anode material is also one of the core components of lithium-ion batteries, and its structure and properties play a key role in the performance of the battery. Among the many carbon-based anode materials, graphite-based materials are the most widely used anode materials in commercial applications. The lamellar structure and particle size distribution of graphite anode can be clearly characterized using the SEM3200 tungsten filament scanning electron microscope of CIQTEK, which still has excellent imaging quality at low voltage (Figure 4).

Figure 4 Graphite negative electrode/5 kV/ETD
Application of scanning electron microscopy in montmorillonite dispersion
The use of scanning electron microscopy is also indispensable to observe the powder particles of pharmaceuticals. Among them, montmorillonite dispersion has an extremely strong immobilizing and inhibiting effect on viruses and germs in the digestive tract and the toxins and gases they produce, which can render them non-pathogenic. The surface of montmorillonite was observed to have a lamellar structure with fine lamellar crystalline masses attached to the surface using the CIQTEK Field Emission Scanning Electron Microscope SEM5000 (Figure 5).

Figure 5 Montmorillonite loose powder/3 kV/ETD
Application of scanning electron microscopy in magnesium stearate
Pharmaceutical magnesium stearate is an organic compound, which is a fine white non-sanding powder with a slippery sensation in contact with skin, mainly used as a lubricant for tablets, with the advantages of strong lubricating effect, light weight and good adhesion. The magnesium stearate powder was mainly in the form of flakes (Figure 6), and the flakes were interrelated with each other, as observed by the CIQTEK Field Emission Scanning Electron Microscope SEM5000. Although magnesium stearate is a non-conductive organic material, it still has high resolution imaging at low voltage mode when using SEM5000. The lubricious texture of magnesium stearate may also be related to the flake structure as shown by the surface morphology.

Figure 6 Magnesium stearate / 1 kV/ETD
CIQTEK SEM5000 is a field emission scanning electron microscope(FESEM) with high-resolution imaging and analysis ability, supported by abundant functions, benefits from advanced electron optics column design, with high-pressure electron beam tunnel technology (SuperTunnel), low aberration, and non-immersion objective lens, achieves low voltage high-resolution imaging, the magnetic specimen can also be analyzed. With optical navigation, automated functionalities, carefully designed human-computer interaction user interface, and optimized operation and use process, no matter if you are an expert or not, you can quickly get started and complete high-resolution imaging and analysis work.
Learn More
Stable, Versatile, Flexible, and Efficient The CIQTEK SEM4000X is a stable, versatile, flexible, and efficient field emission scanning electron microscope (FE-SEM). It achieves a resolution of 1.8 nm @ 1.0 kV, and easily tackles high-resolution imaging challenges for various types of samples. It can be upgraded with an ultra-beam deceleration mode to enhance low-voltage resolution even further. The microscope utilizes multi-detector technology, with an in-column electron detector (UD) capable of detecting SE and BSE signals while providing high-resolution performance. The chamber-mounted electron detector (LD) incorporates a crystal scintillator and photomultiplier tubes, offering higher sensitivity and efficiency, resulting in stereoscopic images of excellent quality. The graphic user interface is user-friendly, featuring automation functions such as automatic brightness & contrast, auto-focus, auto stigmator, and automatic alignment, allowing for rapid capture of ultra-high resolution images.
Learn More
High-Performance and Universal Tungsten Filament SEM Microscope The CIQTEK SEM3200 SEM Microscope is an excellent general-purpose Tungsten Filament Scanning Electron Microscope (SEM) with outstanding overall capabilities. Its unique Dual-anode electron gun structure ensures high resolution and improves image signal-to-noise ratio at low excitation voltages. Furthermore, it offers a wide range of optional accessories, making the SEM3200 a versatile analytical instrument with excellent expandability. Contact our U.S. team: info.usa@ciqtek.com
Learn More
Analytical Schottky Field Emission Scanning Electron Microscope (FESEM) CIQTEK SEM4000Pro is an analytical FE-SEM model equipped with a high-brightness and long-life Schottky field emission electron gun. Its three-stage electromagnetic lens design offers significant advantages in analytical applications such as EDS / EDX, EBSD, WDS, and more. The model comes standard with a low-vacuum mode and a high-performance low-vacuum secondary electron detector, as well as a retractable backscattered electron detector, which benefits the observation of poorly conductive or non-conductive specimens. Contact our U.S. team: info.usa@ciqtek.com
Learn More
High Resolution under Low Excitation The CIQTEK SEM5000Pro is a high-resolution Schottky field-emission scanning electron microscope (FE-SEM) that specializes in high resolution, even under low excitation voltages. Employing an advanced "Super-Tunnel" electron optics technology facilitates a crossover-free beam path and an electrostatic-electromagnetic compound lens design. These advancements reduce the spatial charging effect, minimize lens aberrations, enhance imaging resolution at low voltages, and achieve a resolution of 1.1 nm at 1 kV, which allows for the direct observation of non-conductive or semi-conductive samples, effectively reducing sample irradiation damage.
Learn More
High-speed Fully Automated Field Emission Scanning Electron Microscope Workstation CIQTEK HEM6000 facilities technologies such as the high-brightness large-beam current electron gun, high-speed electron beam deflection system, high-voltage sample stage deceleration, dynamic optical axis, and immersion electromagnetic & electrostatic combo objective lens to achieve high-speed image acquisition whilst ensuring nano-scale resolution. The automated operation process is designed for applications such as a more efficient and smarter large-area high-resolution imaging workflow. Its imaging speed is over five times faster than that of a conventional field emission scanning electron microscope (FESEM).
Learn More
120kV Field Emission Transmission Electron Microscope (TEM) 1. Divided Workspaces: Users operate TEM in a divided room with comfort reducing environmental interference to TEM. 2. High Operational Efficiency: Designated software integrates highly automated processes, allowing efficient TEM interaction with real-time monitoring. 3. Upgraded Operational Experience: Equipped with a field emission electron gun with a highly automated system. 4. High Expandability: There are sufficient interfaces reserved for users to upgrade to a higher configuration, which meets diverse application requirements.
Learn More
Ultra High-Resolution Tungsten Filament Scanning Electron Microscope The CIQTEK SEM3300 Scanning Electron Microscope (SEM) incorporates technologies such as "Super-Tunnel" electron optics, inlens electron detectors, and electrostatic & electromagnetic compound objective lens. By applying these technologies to the tungsten filament microscope, the long-standing resolution limit of such SEM is surpassed, enabling the tungsten filament SEM to perform low-voltage analysis tasks previously only achievable with field emission SEMs.
Learn More
Ultra-High Resolution Field Emission Scanning Electron Microscopy (FESEM) The CIQTEK SEM5000X is an ultra-high resolution FESEM with optimized electron optics column design, reducing overall aberrations by 30%, achieving ultra-high resolution of 0.6 nm@15 kV and 1.0 nm@1 kV. Its high resolution and stability make it advantageous in advanced nano-structural materials research, as well as the development and manufacturing of high-technology node semiconductor IC chips. Contact our U.S. team: info.usa@ciqtek.com
Learn More
No. 1969, Kongquetai Road, High-tech Zone, Hefei, Anhui, China
+8615156059133
+8613083191369
info@ciqtek.com
Sitemap | XML | Blog | Privacy Policy | IPv6 network supported
